不銹鋼管件
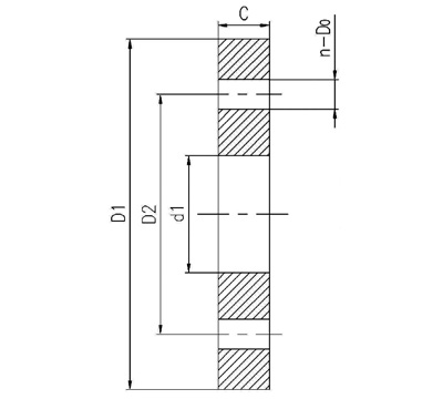
法蘭盤簡稱法蘭,只是一個統稱,通常是指在一個類似盤狀的金屬體的周邊開上幾個固定用的孔用于連接其它東西。這東西在機械上應用很廣泛,所以樣子也千奇百怪的,只要像就是叫法蘭盤,其名字是來源于英文flange

法蘭盤簡稱法蘭,只是一個統稱,通常是指在一個類似盤狀的金屬體的周邊開上幾個固定用的孔用于連接其它東西。這東西在機械上應用很廣泛,所以樣子也千奇百怪的,只要像就是叫法蘭盤,其名字是來源于英文flange
法蘭標準:根據壓力的不同等級,法蘭墊也有不同材料,從低壓石棉墊、高壓石棉墊到金屬墊都有。
1.以材質劃分碳鋼,鑄鋼,合金鋼,不銹鋼,銅,鋁合金,塑料,氬硌瀝,ppr等。
2.以制作方法劃分可分為鍛造法蘭、鑄造法蘭、拼接法蘭、割制法蘭、卷制法蘭(超大型號)
3.以制造標準劃分可分為國標(化工部標準、石油標準、電力標準、機械部標準、船用標準)、美標、德標、日標、俄標等。

在線地圖(點擊關閉)